Produkte
Info
0
Warenkorb
Mein Konto

Kränzle K1152 TS T Ersatzteilliste Interaktiv

Komplettaggregat
Motor
Getriebe
Unloader
Ventilgehäuse
Schlauchtrommel
Lanzen
Schmutzkiller

Passende Ersatzteile

Hochdruckschlauch NW6, 15meter
für Schlauchtrommel, schwarz
Hochdruckreiniger-Pistole M2000
Schmutzkiller mit 500mm-Lanze Düse=042
Farbcode=Gelb
Teile in der Zeichnung mit Maus markieren und durch Klick in den Warenkorb legen.
Keine Artikelinformationen verfügbar!

Ersatzteilliste Komplettaggregat

Position Bezeichnung Menge Preis
2 Fahrgestell 1 136,18 €
3 Frontplatte "K 1152 TST" 1 52,95 €
4 Versteifungsplatte 1 6,63 €
5 Kunststoffschraube 6,0 x 30 6 0,96 €
6 Kabeltrompete 1 3,96 €
7 Rad 2 26,11 €
8 Radkappe 2 5,16 €
9 Scheibe 40 x 6 x 1,5 (Stahl) 2 0,64 €
10 Kunststoffsenkschraube 5,0 x 20 2 0,64 €
11 Achshalter 1 27,92 €
12 Schraube M6 x 35 2 0,54 €
13 Standfuss links+rechts 1 5,45 €
14 Schraube 5,0 x 30 8 0,96 €
15 Kabelaufwicklung K1152 1 2,36 €
16 Schraube 5,0 x 20 2 0,64 €
17 Gummi-Anschlag-Dämpfer 20 x 30 2 2,89 €
18 Schraube 5,0 x 14 2 0,96 €
19 Kabelklemme 1 0,95 €
20 Schraube 3,5 x 16 2 0,96 €
21 Schraube M 8 x 12 4 1,00 €
22 Käfigmutter M6 2 1,29 €
28 O-Ring 9,3 x 2,4 2 1,14 €
29 HD-Schlauch NW 6 15m (K1152 TST) 1 105,95 €
30 Pistole M2000 1 73,95 €
31 Vario-Jet 042 kpl. Mit Lanze 1 51,24 €
32 Schmutzkiller 1 72,99 €
35 Achse kpl. Mit Räder 1 42,80 €
36 Fahrgestell kpl. 1 182,72 €
39 Schlauchtrommel kpl. Ohne HD-Schlauch 1 151,06 €
40 Motor 230V / 50 Hz komplett mit Ölgehäuse und Lüfterrad, ohne Elektrik 4 508,37 €
41 Schaltkasten komplett 3 97,46 €
Teile in der Zeichnung mit Maus markieren und durch Klick in den Warenkorb legen.
Keine Artikelinformationen verfügbar!

Ersatzteilliste Motor

Position Bezeichnung Menge Preis
1 Ölgehäuse mit Dichtung Deckel Öldichtung Schulterlager 1 92,99 €
2 Motorgehäuse mit Stator 1 215,99 €
3 Motorwelle mit Rotor 1 106,23 €
4 Passfeder 6 x 6 x 20 1 1,92 €
5 Motor-Lager B-Seite Z-Lager 1 14,60 €
6 Motor-Lager A-Seite Schulterl. 1 35,99 €
7 Schelle für Lüfterrad 1 3,25 €
8 Öldichtung 25 x 35 x 7 1 6,79 €
9 Lüfterrad 1 19,06 €
10 Lüfterhaube 1 31,40 €
11 Flachdichtung 1 5,99 €
12 Lüsterklemme 3-pol. 1 3,08 €
13 Schaltkasten 1 9,85 €
14 Schalter mit 12 A-Überstromauslöser 1 29,80 €
15 Klemmrahmen mit Schalterabdichtung 1 4,06 €
16 Kabelverschraubung PG 13,5 2 0,64 €
17 Gegenmutter PG 13,5 2 0,86 €
18 Kondensator 40 µF 1 36,79 €
19 Netzkabel für 230V / 50/60Hz 1 26,99 €
20 Blechschraube 3,5 x 9,5 2 0,64 €
21 Blechschraube 2,9 x 16 1 0,64 €
22 Innensechskantschr. M 5 x 12 4 0,80 €
23 Innensechskantschr. M 5 x 30 4 2,89 €
24 Erdungsschraube kpl. 1 1,29 €
25 Deckel für Schaltkasten 1 13,16 €
26 Dichtung für Deckel 1 4,07 €
27 Kunststoffschraube 5 1 0,64 €
28 Blechschraube 3,9 x 13 1 0,64 €
40 Motor 230V / 50 Hz komplett mit Ölgehäuse und Lüfterrad, ohne Elektrik 4 508,37 €
41 Schaltkasten komplett 3 97,46 €
Teile in der Zeichnung mit Maus markieren und durch Klick in den Warenkorb legen.
Keine Artikelinformationen verfügbar!

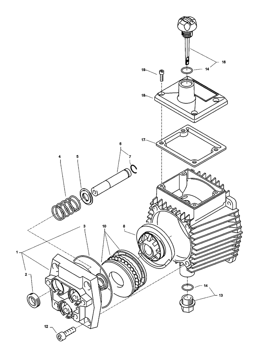
Ersatzteilliste Getriebe

Position Bezeichnung Menge Preis
1 Gehäuseplatte 1 83,15 €
2 Öldichtung 14 x 24 x 7 3 6,15 €
3 O-Ring 83 x 2 1 2,36 €
4 Plungerfeder 3 4,45 €
5 Federdruckscheibe 14 mm 3 1,49 €
6 Plunger 14 mm AZ-L 3 25,99 €
7 Sprengring 14 mm 3 0,96 €
8 Taumelscheibe 9,25° 1 38,99 €
10 Axial-Rillenkugellager 3-teilig 1 49,25 €
12 Innensechskantschraube M 8 x 25 4 1,39 €
13 Ölablassstopfen M18x1,5 mit Magnet 1 7,81 €
14 O-Ring 14 x 2 1 0,64 €
16 Ölmessstab 1 4,45 €
17 Dichtung Öldeckel 1 4,07 €
18 Deckel Ölgehäuse 1 10,27 €
19 Innensechskantschraube M 5 x 12 4 0,54 €
Teile in der Zeichnung mit Maus markieren und durch Klick in den Warenkorb legen.
Keine Artikelinformationen verfügbar!

Ersatzteilliste Unloader und Druckschalter

Position Bezeichnung Menge Preis
7 O-Ring 12 x 2 2 0,95 €
8 O-Ring 11 x 1,5 1 2,35 €
9 Edelstahlsitz 1 3,19 €
11 Anlaufentlastungsventil 1 17,54 €
12 Edelstahlfeder 1 1,07 €
13 Verschlussschraube 1 4,59 €
14 Steuerkolben 6mm für AZ mit Dichtungen 1 16,40 €
15 Parbaks für Kolben 14mm 1 3,89 €
16 Parbaks für Spindel 6mm 1 4,05 €
17 MS-Scheibe 1 1,45 €
18 Kolbenführung 6mm 1 7,27 €
19 Mutter M6 2 0,54 €
20 Feder schwarz für AZ-Pumpe 1 4,85 €
21 Federdruckscheibe 1 2,78 €
22 Kugellager 11 3,55 €
23 Handrad M6 für AZ-Pumpe 1 5,45 €
24 Mutter M6 mit SW 8 1 1,00 €
25 Kappe für Handrad AZ-Pumpe 11 1,39 €
26 Manometer 11 38,99 €
49 Druckfeder 1 x 8,6 x 30 1 3,43 €
50 O-Ring 3,3 x 2,4 1 2,77 €
51 Führungsteil Steuerstößel 1 13,48 €
52 O-Ring 13x 2,6 1 0,64 €
53 O-Ring 14 x 2 1 0,64 €
54 Parbaks 4mm 2 2,59 €
55 Stützscheibe 2 0,64 €
56 Edelstahlfeder 1 2,69 €
57 Steuerstößel lang 1 13,65 €
58 Parbaks 7mm 1 4,27 €
59 Stopfen M10x 1 (durchgebohrt) 1 3,20 €
60 Gehäuse Elektroschalter 1 7,06 €
61 Gummimanschette 1 1,39 €
62 Sechskant-Mutter M4 2 0,54 €
63 Überwurfmutter PG 11 1 0,54 €
64 Kabel 2x 1,5mm² 1 5,97 €
65 Blechschraube 2,8 x 16 6 0,54 €
66 Deckel Elektroschalter 1 4,71 €
67 O-Ring 44 x 2,5 1 3,15 €
68 Mikroschalter 1 7,90 €
69 Zylinderschraube m4 x 22 2 0,54 €
70 Steuerkolben kpl. Mit Handrad 1 44,85 €
71 Rep.-Satz Druckschaltermechanik 1 32,99 €
72 Druckschalter kpl. Ohne Mechanik 1 27,50 €
73 Ventilgehäuse kpl. Für K1152 TST 1 271,99 €
Teile in der Zeichnung mit Maus markieren und durch Klick in den Warenkorb legen.
Keine Artikelinformationen verfügbar!

Ersatzteilliste Ventilgehäuse

Position Bezeichnung Menge Preis
1 Ventilgehäuse 1 122,39 €
2 Ventilstopfen 5 4,07 €
3 Ventilstopfen mit R1/4 IG" 1 4,89 €
4 Ventile (rot) 6 4,49 €
5 Dichtstopfen M8 x 1 3 2,36 €
6 Dichtstopfen M10 x 1 1 2,25 €
7 O-Ring 12 x 2 12 0,95 €
8 O-Ring 11 x 1,5 1 2,35 €
9 Edelstahlsitz 1 3,19 €
10 Sicherungsring 1 0,94 €
11 Edelstahlkugel 10,0mm 1 2,30 €
12 Aluminium - Dichtring 3 0,35 €
13 Verschraubung Ermeto R1/4 x 8" 1 6,29 €
26 Manometer 1 38,99 €
27 Stützring 3 0,96 €
28. Jan Gewebe-Manschette 14 x 24 x 5/2 3 5,75 €
28 Manschette 14 x 24 x 5/2 3 4,25 €
29 Backring 14 x 24 6 2,65 €
30 O-Ring 24 x 2 3 1,07 €
31 Leckagering 3 7,99 €
33 Zwischenring mit Abstützung 3 2,65 €
34 Rückschlagfeder 1 1,29 €
35 Ausgangsteil (TST) 1 12,20 €
42 Innensechskantschr. M 8 x 25 2 1,39 €
43 Innensechskantschr. M 8 x 40 2 1,82 €
44 Dichtring Kupfer 1 0,64 €
45 Sauganschluss 1 8,45 €
46 Wasserfilter 1 1,81 €
49 Steckkupplung 1 3,05 €
52 O-Ring 18 x 2 1 1,02 €
60 Reparatur-Satz Ventile 1 29,10 €
61 Reparatur-Satz Manschetten 1 63,99 €
Teile in der Zeichnung mit Maus markieren und durch Klick in den Warenkorb legen.
Keine Artikelinformationen verfügbar!

Ersatzteilliste Schlauchtrommel

Position Bezeichnung Menge Preis
1 Seitenschale 2 20,99 €
2 Trommelteil 1 14,88 €
3 Knickschutz 1 12,50 €
4 Kunststoffschraube 5,0 x 20 5 0,64 €
5 Antriebswelle 1 31,24 €
7 Lagerklotz links 1 7,29 €
8 Schraube 6,0 x 30 4 0,96 €
9 Lagerklotz rechts 1 7,29 €
10 Verbindungsrohr 1 17,99 €
11 Wasser.-Eingangsteil 1 41,99 €
12 O-Ring 6 x 0,8 2 0,62 €
13 Handkurbel 1 17,85 €
14 Schraube M5 x 14 1 0,64 €
15 Scheibe 5,3 1 0,54 €
16 Wellensicherungsring 22mm 2 1,07 €
17 O-Ring 19,3 x 2,4 1 1,14 €
18 Dichtsatz 1 13,70 €
19 Saugzapfen Schlauchanschluss 1 7,99 €
20 Edelstahlkugel 5,5mm 1 1,19 €
21 Edelstahlfeder 1 1,06 €
22 Eingangsinjektor 1 17,99 €
23 O-Ring 10,2 1 0,96 €
24 O-Ring 6,68 x 1,78 1 1,39 €
25 Hochdruckschlauch 15m NW6 1 105,95 €
26 Chemikaliensaugschlauch mit Filter 1 7,20 €
30 Schlauchtrommel kpl. Ohne HD-Schlauch 1 151,06 €
Teile in der Zeichnung mit Maus markieren und durch Klick in den Warenkorb legen.
Keine Artikelinformationen verfügbar!

Ersatzteilliste Pistole und Lanzen

Position Bezeichnung Menge Preis
1 Pistolenschale rechts + links 1 15,70 €
2 Schraube 3,5 x 14 10 0,54 €
18 O-Ring 9,3 x 2,4 1 1,14 €
19 ST 30-Nippel M 22 x 1,5AG/ M12 x 1 1 4,50 €
20 Rohr 400 lang, bds. M12 x 1 1 14,99 €
30 Klemmstück 1 5,77 €
31 Halterung für Klemmstück 1 4,91 €
32 Kunstoffhülle 1 8,99 €
33 Vario-Jet 042 1 38,62 €
100 M2000-Pistole kpl. 12.480 1 73,95 €
100 Lanze kpl. mit Vario-Jet 042 41.156 1 51,24 €
Teile in der Zeichnung mit Maus markieren und durch Klick in den Warenkorb legen.
Keine Artikelinformationen verfügbar!

Ersatzteilliste Schmutzkiller

Position Bezeichnung Menge Preis
1 Spühkörper 1 52,96 €
2 O-Ring 6 1 1,39 €
3 Düsensitz 1 11,75 €
4 Düse 042 1 37,65 €
5 Stabilisator 1 1,50 €
6 O-Ring 1 1,82 €
7 Sprühstopfen 1 12,41 €
8 Rohr 400 mm 2x M 12 x 1 1 18,29 €
9 ST 30-Nippel M 22 x 1,5 1 4,50 €
10 Rep.Satz Schmutzkiller 042 1 45,99 €
11 Kappe vorn für Schmutzkiller 1 8,02 €
12 Kappe hinten für Schmutzkiller 042 1 4,50 €
100 Schmutzkiller 042 kpl. Mit Lanze 1 72,99 €

Passendes Zubehör\Ersatzteile

Schmutzkiller mit 500mm-Lanze Düse=042
Farbcode=Gelb, Stecksytem D12
Rotierende Waschbürste 1250mm
mit Stecknippel D12
Lanzenverlängerung 500 mm
Lanze mit Stecknippel D12
Spezialreiniger Alfa Marine 5 l
© 1998 - 2026 Hytec-Hydraulik OHG. Alle Rechte vorbehalten. Alle Preise beinhalten, wenn nicht anders beschrieben, die gesetzliche MwSt. zzgl. Versandkosten.
Shop powered by Hyreka GmbH.
nach oben