Druckreduzierventil mit integriertem Rückschlagventil, 5 - 105 bar, Handrad
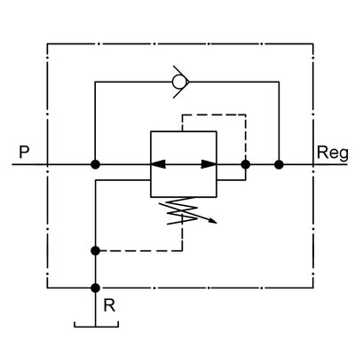
Dieses direkt wirkende Druckreduzierventil vermindert den höheren variablen Druck
im Primärsystem auf einen niedrigeren, konstanten Druck im Sekundärsystem.
Der Sekundärdruck ist unabhängig von Druckänderungen im Primärkreis.
Bei Druckerhöhung im Sekundärkreis wirkt das Ventil als Druckbegrenzer.
Das eingebaute Rückschlagventil erlaubt den freien Durchfluss von Reg nach P.
Kenngrößen:
Leckage: ca. 0,19 l/min bei max. Druck vom Anschluss Reg nach R.
Max. Durchfluss: 20 l/min
Max. zulässiger Eingangsdruck: 210 bar (Primärkreis)
Wir setzen Dienste, unter anderem von Drittanbietern, ein, die wir für den Betrieb der Website benötigen (Notwendig) oder die uns helfen, unsere Website zu optimieren (Komfort) und personalisierte Werbung auszuspielen (Marketing). Um die Komfort- und Marketing-Dienste einsetzen zu dürfen, benötigen wir Ihre Einwilligung.
Indem Sie auf "Alle zulassen" klicken, stimmen Sie den Komfort- und Marketing-Datenverarbeitungen freiwillig zu. Dies umfasst auch Ihre Einwilligung gem. Art. 49 Abs. 1 lit. a DSGVO zur Datenverarbeitung außerhalb des EWR, z.B. in den USA. In diesen Ländern kann trotz sorgfältiger Auswahl und Verpflichtung der Dienstleister das hohe europäische Datenschutzniveau nicht zwingend garantiert werden. Sofern eine Datenübermittlung in die USA stattfindet, besteht bspw. das Risiko, dass diese Daten von US-Behörden zu Kontroll- und Überwachungszwecken verarbeitet werden können, ohne dass wirksame Rechtsbehelfe vorhanden oder sämtliche Betroffenenrechte durchsetzbar sind. Ihre Einwilligung können Sie jederzeit widerrufen. Datenschutzerklärung | Impressum | Cookieübersicht